Início aplicativo Aprendizagem educacional MCU Board simulator (free)

Simulador de placa de protótipo Android MCU (grátis)

O simulador MCU para o sistema operacional Android executa o código de linguagem de montagem semelhante ao 68705 MCU em uma placa protótipo simulada na tela. Ótimo para aplicativos incorporados que amadores, alunos, professores ou qualquer pessoa que goste de experimentar com CPUs de microcontrolador e placas de protótipo eletrônico. É divertido para aprender a linguagem de montagem também!

O ANDMCU simula o software e o hardware. Como em uma placa de protótipo real, seu código ASM deve configurar as portas de E/S do MCU para controlar o hardware conectado a ele, como iluminar segmentos nos dígitos ou leitura de teclas do teclado ou de Dip-Switches.

Você pode usar o editor de texto interno simples ou qualquer editor de texto do Android de sua escolha para escrever seu código de montagem e, em seguida, carregá-lo no AndMCU para executá-lo.

O assembler interno possui muitas diretivas úteis, como modo de rastreamento passo a passo, pontos de interrupção, conteúdos de memória de despejo em um arquivo HTML, ajustando a velocidade da CPU e executando automaticamente o código carregado. Ele suporta os seguintes opcodes (subconjunto do conjunto de instruções 68705 MCU):

NOP, CLC, CLI, SEC, SEI, STOP, SWI, TAX, TXA, LDA, LDX, STA, STX, ADD, ADC, CLR, CLRA, CLRX, DEC, DECA, DECX, INCA, INCA, INCX, SUB, SBC,

E, cmp, com, coma, comx, cpx, eor, lsl, lsla, lslx, lsr, lsra, lsrx,

NEG, NEGA, ORA, ROL, ROLA, ROR, RORA, TST, TSTA, BRA, BSR, BCC, BCS,

Beq, bne, bhi, blo, bls, jmp, jsr, rts, rti, bclr, bset.

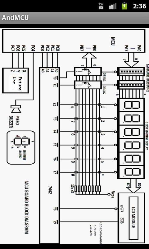
O AndMCU Board simula os seguintes componentes de hardware:

1) CPU de 8 bits com portas bidirecionais de 3x de 8 bits.

2) Exibição de 6 dígitos

3) tela LCD de 16 caracteres

4) interruptores de mergulho de 8 bits 2x

5) Exibir de 2x8 LED de barra

6) Teclado de 12 teclas

7) 1 campainha piezo

8) interrupções externas, timer e software

9) 1 entrada analógica (sensor de luz).

* Funciona nas resoluções de tela de até 1080 x 1920 (HD integral).

(Este não é um emulador rápido da CPU - é um simulador para fins educacionais. Consulte a documentação no site da AndMCU para obter mais detalhes.)

Esta é a versão suportada por anúncios do andmcu (grátis).

Se você gosta deste aplicativo, ofereça suporte ao desenvolvimento adicional comprando a versão sem anúncios no Google Play Market. A versão sem anúncios também permite rolagem de filmes para o editor interno.

PERMISSÃO DA INTERNET: Ativado para o suporte do anúncio (AdMob).

O que há de novo na versão mais recente 1.10

Última atualização em 24 de setembro de 2015 v.1.10 5 de junho de 2013: Correções de bugs: Modo de rastreamento claro e redefina a velocidade da CPU após carregar um novo arquivo.
V.1.09 22 de março de 2013: Adaptado para resoluções de tela de HD full (até 1080x1920).